SwitcherGear Code Development

SwitcherGear can use any of the standard code development toolchains for Texas Instruments C2000 industrial microcontrollers (MCU).

Code Composer Studio™

Use TI's Code Composer Studio™ (CCS) integrated development environment to develop and debug embedded applications for C2000 MCUs.

CCS is based on the industry-standard Eclipse platform and includes a source code editor, C2000 optimising C/C++ compiler, debug environment and more. CCS v7 and later are available with a free license.

The SwitcherWare Library provides many code resources and CCS projects for power converter applications.

C2000 Support Resources

TI's C2000Ware™ software is a repository of C2000 support resources:

  • Reference documentation for each MCU
  • Device header files
  • Example code for MCU peripherals
  • Example application code

Debug and Application Interaction

The SwitcherGear Base unit accepts a standard 14-pin TI debug probe connector, and includes isolation to block EMI associated with power converters.

Use the debug tools in CCS to interact with your application. Observe operating conditions and tune controller parameters while the application is running.

Visualise dynamic digital control signals in real-time, by using the AOV001 4-channel analogue voltage output module to send signals to an oscilloscope.

Interact with SwitcherGear using TI debug probe and the CCS debug tools.
Observe and capture digital control signals in real-time using SwitcherGear AOV001 module and an oscilloscope.

Model-Based Development

Use third-party tools to:

Products from Mathworks, PowerSim and Scilab can target Texas Instruments C2000 industrial MCUs.

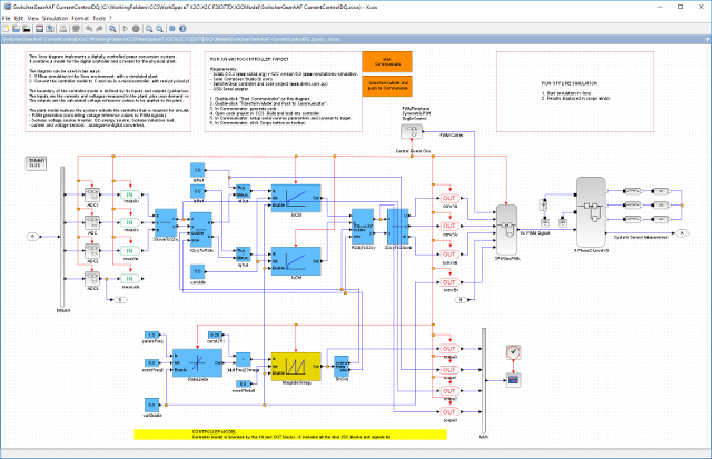
DQ-axis current controller block diagram.
Observe and capture digital control signals using a software scope.